
No hub required, Universally compatibleShelly Products can be controlled locally, directly and without a hub through your smartphone/table with Shelly App - no hub or other equipment needed. Enable cloud feature and get remote control from anywhere. At the same time, you can integrate Shelly directly with virtually every smart home hub, voice assistant, open source platform, or premium control system. |
![]() |
||||
![]() |
![]() |
||||
![]() |
![]() |
||||
![]() |
![]() |
![]() |
![]() |
![]() |
![]() |
![]() |
![]() |
![]() |
![]() |
![]() |
![]() |
No hub required, Universally compatibleShelly Products can be controlled locally, directly and without a hub through your smartphone/table with Shelly App - no hub or other equipment needed. Enable cloud feature and get remote control from anywhere. At the same time, you can integrate Shelly directly with virtually every smart home hub, voice assistant, open source platform, or premium control system. |
|
![]() |
|
![]() |
|
![]() |
|
![]() |
|
![]() |
|
![]() |
![]() |
![]() |
![]() |
![]() |
![]() |
![]() |
![]() |
![]() |
![]() |
![]() |
![]() |
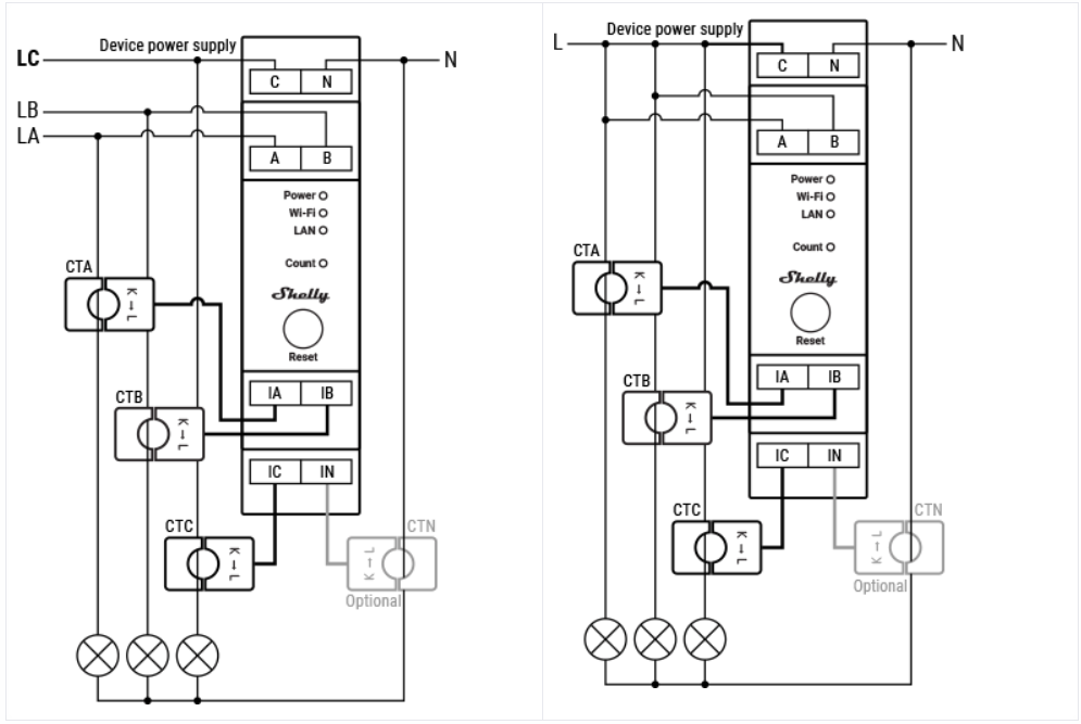
Shelly Pro 3EM-400 Wiring Diagram

Specifications
| Physical | |
|---|---|
| Size (HxWxD): | 94x19x69 ±0.5 mm / 3.70x0.75x2.71 ±0.02 in |
| Weight: | 63 ±1 g / 2.22 ±0.05 oz |
| Mounting: | DIN rail |
| Screw terminals max torque: | 0.4 Nm / 4.43 lbin |
| Conductor cross section: | 0.5 to 2.5 mm² / 20 to 14 AWG (solid, stranded and bootlace lugs) |
| Conductor stripped length: | 6 to 7 mm / 0.24 to 0.28 in |
| Shell material: | Plastic |
| Color: | White |
| Environmental | |
| Ambient temperature: | -20 °C to 40 °C / -5 °F to 105 °F |
| Humidity: | 30 % to 70 % RH |
| Max. altitude: | 2000 m / 6562 ft |
| Electrical | |
| Power supply voltage AC: | 110 - 240 V, 50/60 Hz |
| Power supply voltage DC: | N/A |
| Power consumption: | < 3 W |
| Output circuits ratings | |
| Max switching voltage AC: | 240 V |
| Max switching voltage DC: | N/A |
| Max switching current: | 2 A |
| Sensors, meters | |
| Internal-temperature sensor: | Yes |
| Voltmeter (RMS): | 100 - 260 V |
| Voltmeters accuracy: | ±1 % |
| Ammeters (RMS via CT): | 0 - 50 A |
| Ammeters accuracy: | ±1 % (5 - 50 A), ±2 % (0 - 5 A) |
| Power and energy meters: | Active and apparent power |
| Active and apparent energy | |
| Power factor | |
| No load threshold: | 30 VA per phase |
| Measurement data storage: | At least 60 days of 1 min data resolution |
| Data export: | CSV for PQ recorded values |
| JSON format export through RPC | |
| Radio | |
| RF band: | 2400 - 2495 MHz |
| Max. RF power: | <20 dBm |
| Wi-Fi protocol: | 802.11 b/g/n |
| Wi-Fi Range: | Up to 30 m / 100 ft indoors and 50 m / 160 ft outdoors |
| (Depends on local conditions) | |
| Bluetooth Protocol: | 4,2 |
| Bluetooth Range: | Up to 10 m / 33 ft indoors and 30 m / 100 ft outdoors |
| (Depends on local conditions) | |
| MCU | |
| CPU: | ESP32-D0WDQ6 |
| Flash: | 16 MB |
| Firmware capabilities | |
| Webhooks (URL actions): | 20 with 5 URLs per hook |
| Scripting: | Yes |
| MQTT: | Yes |
| CoAP: | No |
Pro EM50 / Pro 3EM Comparison
| Shelly Pro EM-50 | Shelly Pro 3EM |
|---|---|---|
AC voltage per Channel | 100-260 volts 50/60Hz | 100-260 volts 50/60Hz |
Phases Supported | Single (same phase only) | Single, Split Single, Two, Three |
Number of CTs | 2 | 3 |
Max Amps/Channel | 50 | 120 or 400 |
Contactor Control | Yes | Requires Pro 3EM Switch Add-on |
Contactor AC | 100-260 volts 50/60Hz | 100-260 volts 50/60Hz |
Contactor DC | N/A | Up to 30 Volts |
Contactor Amperage | 2 amps | 2 amps |
















